新開発のギヤードモーターは、新発想に基づく遊星ギヤ方式(ふしぎ歯車)で構成しています。
大きな減速比をコンパクトサイズで実現し、小型で高出力・高分解能を可能にしました。
また、PMモーターの特徴である制御性の良さを兼ね備えているため、システム構成が簡素化でき取り扱いも容易です。
-
-
スクロールできます
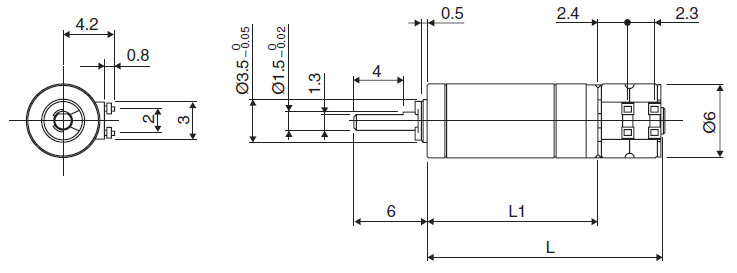
外径
[mm]マグネット材質
絶縁抵抗値 (M)
[Ω/min]絶縁耐圧 (AC)
[V/min]励磁方式
巻線抵抗/相
[Ω]絶縁抵抗
絶縁耐圧
絶縁種
使用周辺温度
下限
[℃]使用周辺温度
上限
[℃]ラジアルガタ
[mm]スラストガタ
[mm]6.0 ネオジウム鉄ボンド (N51) 1 100 2-2相 20.0 1M[Ω]Min. at DC100[V] AC100[V] 1[min] Class E(リード線を除く) -10 50 0.10 0.20 -
-
-
以下のテーブル内の矢印アイコンを押下していただくと、昇順から降順と順番に切り替わります。
スクロールできます
型式
駆動方式
駆動電圧
[V]電流/相
[mA]駆動IC
減速比
[1:X]ステップ角
[°]推奨定格トルク
[mN・m]推奨定格トルク
[gf・cm]推奨瞬間最大トルク
[mN・m]推奨瞬間最大トルク
[gf・cm]ギヤヘッド長 L1
[mm]全長 L
[mm]PG6-K20-0004 バイポーラ定電圧 3 20.0 LB1836M 1:4 4.500 10.0 102.0 20.0 204 13.95 19.25 PG6-K20-0016 バイポーラ定電圧 3 20.0 LB1836M 1:16 1.125 20.0 204.0 30.0 306 16.55 21.85 PG6-K20-0064 バイポーラ定電圧 3 20.0 LB1836M 1:64 0.281 40.0 408.0 60.0 612 19.15 24.45 PG6-K20-0256 バイポーラ定電圧 3 20.0 LB1836M 1:256 0.070 40.0 408.0 60.0 612 21.75 27.05 PG6-K20-1024 バイポーラ定電圧 3 20.0 LB1836M 1:1024 0.018 40.0 408.0 60.0 612 24.35 29.65 ※PG6-K20-1024 : 特殊品のため、別途ご相談下さい。
-
光学機器:プロジェクター、監視カメラ
医療機器:血液分析装置、チューブポンプ
産業機器:流動制御バルブ、アンテナ調整機
電動工具:ドリル、ドライバー
注目製品
ミネベアミツミのモーターが選ばれる理由
幅広い製品群とグローバルでの開発・生産体制でモノづくりに貢献

