ステッピングモーターのうち、デジタルカメラ、ブルーレイディスクドライブのレンズ収差補正などを主な用途とする特に外径の小さい10mm以下の製品を取り扱っています。薄型、多ステップ、高トルク、高角度精度の小径モーターです。独自の着磁技術を用いており、安定した品質による高い競争力、豊富な経験にもとづくお客様への細かな対応を強みとしています。
-
-
スクロールできます
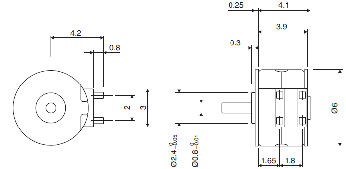
外径
[mm]長さ
[mm]ステップ数
マグネット材質
絶縁抵抗値 (M)
[Ω/min]絶縁耐圧 (AC)
[V/min]ステップ角
[deg]励磁方式
絶縁種
動作温度範囲
下限
[℃]動作温度範囲
上限
[℃]保存温度範囲
下限
[℃]保存温度範囲
上限
[℃]動作湿度範囲RH
下限
[%]動作湿度範囲RH
上限
[%]6.0 4.35 20 ネオジウム鉄ボンド(N51) 1 100 18.00 2-2相 CLASS E -10 50 -25 60 5 85 ※バイポーラのみ。ユニポーラはありません。
※結露なきこと。 -
-
-
以下のテーブル内の矢印アイコンを押下していただくと、昇順から降順と順番に切り替わります。
スクロールできます
駆動方式
駆動電圧
[V]巻線抵抗/相
[Ω]駆動IC
バイポーラ定電圧 3 20.0 LB1836M -
光学機器:デジタルカメラ、BD収差補正
通信機器:スマートフォン、タブレット
注目製品
ミネベアミツミのモーターが選ばれる理由
幅広い製品群とグローバルでの開発・生産体制でモノづくりに貢献

