冷蔵庫用途に特化した省エネ対応設計。
使用部分によって、耐氷結構造や防塵構造に対応できる最新設計です。
一般仕様
モーター保護:自動復帰方式
絶縁抵抗:DC 500V メガにて10M Ω以上
絶縁耐圧:AC 700V 1s
許容環境温度範囲:-40℃ ~ +40℃ (Operating)
-40℃ ~ +70℃ (Storage)
実用上さしつかえない状態で結露無きこと
-
-
以下のテーブル内の矢印アイコンを押下していただくと、昇順から降順と順番に切り替わります。
スクロールできます
型式
管理番号
定格電圧
[V]使用電圧範囲
下限
[V]使用電圧範囲
上限
[V]定格電流
[A]定格入力
[W]定格回転速度
[min-1]最大風量
[m3/min]最大風量
[CFM]最大静圧
[Pa]最大静圧
[In H2O]騒音
[dB]質量
[g]09232JE-12K-BA-F0 F0 12 7.0 13.2 0.06 0.72 2400 0.84 29.70 23.6 0.09 25.5 130.0 09232JE-12L-BA-F0 F0 12 7.0 13.2 0.08 0.96 2800 1.00 35.30 33.0 0.13 29.5 130.0 09232JE-12M-BA-F0 F0 12 7.0 13.2 0.13 1.56 3350 1.24 43.80 46.3 0.19 34.5 130.0 回転方向:ラベルから見て時計方向
風吹き出し方向:ラベル側
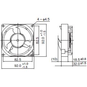
*1:Average Values in Free Air外観図
取付穴参考寸法
特性曲線
-
-20℃ 70,000時間 ※故障率10% (L10 Life)
-
ケーシング:プラスチック(ブラック)UL94V-0
インペラー:プラスチック(ブラック)UL94V-0
軸受:ボールベアリング
リード線:UL1007 AWG26 +: 赤 -: 黒 -
関連データ
ミネベアミツミのファンモーターが選ばれる理由

