This transformer is used in the driving circuit of the in-vehicle ultrasonic sensor (corner sensor, back sensor).

Features

1,A lineup of both variable and fixed structures
2,Variable type can adjust the inductance value and can absorb variations in microphones.
3,By improving the current value, we can cope with long-distance sensors and strengthen the external noise characteristics that are problematic.

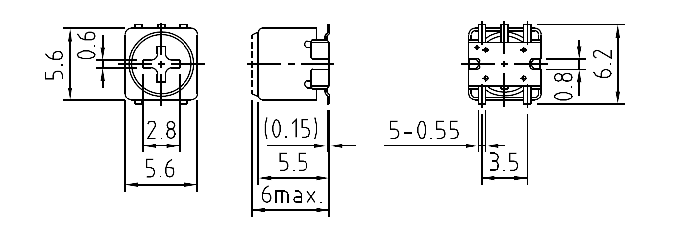
  • Dimensions
    Unit
    mm
  • scroll

    Inductance
    lower limit
    [mH]

    Inductance
    upper limit
    [mH]

    Operational frequency
    lower limit
    [MHz]

    Operational frequency
    upper limit
    [MHz]

    Unloaded Q
    lower limit

    Unloaded Q
    upper limit

    Variable range of F
    lower limit
    [%]

    Variable range of F 
    upper limit
    [%]

    Variable range of L
    lower limit
    [%]

    Variable range of L
    upper limit
    [%]

    Internal capacitance

    1.0 4.0 0.10 20.00 50 100 -2 2 -5 5 -

  • scroll

    Q'ty
    [pcs./reel]

    Tape Dimensions A
    [mm]

    Tape Dimensions B
    [mm]

    Tape Dimensions C
    a
    [mm]

    Tape Dimensions C
    b
    [mm]

    Tape Dimensions D
    a
    [mm]

    Tape Dimensions D
    b
    [mm]

    Tape Dimensions E
    a
    [mm]

    Tape Dimensions E
    b
    [mm]

    Tape Dimensions F
    a
    [mm]

    Tape Dimensions F
    b
    [mm]

    Tape Dimensions G
    [mm]

    Tape Dimensions H
    a
    [mm]

    Tape Dimensions H
    b
    [mm]

    Reel Dimensions I
    a
    [mm]

    Reel Dimensions I
    b
    [mm]

    Reel Dimensions J
    a
    [mm]

    Reel Dimensions J
    b
    [mm]

    Reel Dimensions K
    a
    [mm]

    Reel Dimensions K
    b
    [mm]

    1000 6.0 6.6 13.5 0.2 16 0.3 8 0.1 7.5 0.1 6.5 0.5 0.1 φ 330 φ 2 21.5 1 17.5 1

Contact Us

Please click the inquiry type below according to your question. Each product / sales representative will respond to you.