可変型構造のラインアップ。インダクタンス値の調整ができ、マイクのバラツキを吸収可能。

特長

1、可変型、固定型の両構造のラインナップあります
2、可変型はインダクタンス値の調整ができ、マイクのバラツキを吸収可能
3、電流値改善により長距離センサー用に対応、問題となる外部ノイズ特性を強化。

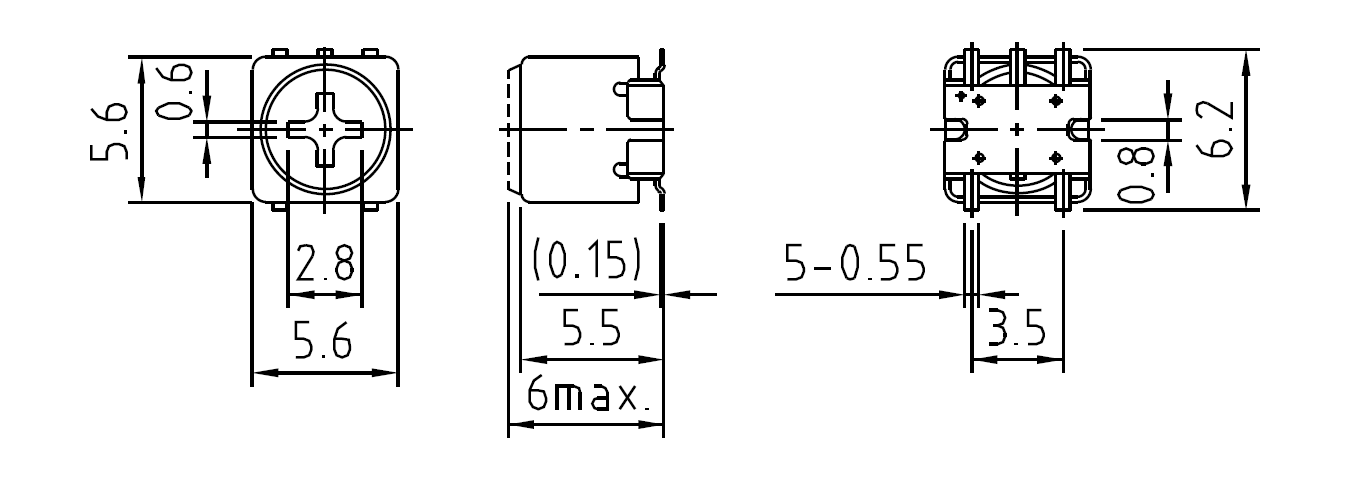
  • 外形図
    単位
    mm
  • スクロールできます

    インダクタンス
    下限
    [mH]

    インダクタンス
    上限
    [mH]

    使用周波数
    下限
    [MHz]

    使用周波数
    上限
    [MHz]

    無負荷 Q
    下限

    無負荷 Q
    上限

    F可変範囲
    下限
    [%]

    F可変範囲
    上限
    [%]

    L可変範囲
    下限
    [%]

    L可変範囲
    上限
    [%]

    内蔵可能容量

    1.0 4.0 0.10 20.00 50 100 -2 2 -5 5 -

  • スクロールできます

    Q'ty
    [pcs./reel]

    Tape Dimensions A
    [mm]

    Tape Dimensions B
    [mm]

    Tape Dimensions C
    a
    [mm]

    Tape Dimensions C
    b
    [mm]

    Tape Dimensions D
    a
    [mm]

    Tape Dimensions D
    b
    [mm]

    Tape Dimensions E
    a
    [mm]

    Tape Dimensions E
    b
    [mm]

    Tape Dimensions F
    a
    [mm]

    Tape Dimensions F
    b
    [mm]

    Tape Dimensions G
    [mm]

    Tape Dimensions H
    a
    [mm]

    Tape Dimensions H
    b
    [mm]

    Reel Dimensions I
    a
    [mm]

    Reel Dimensions I
    b
    [mm]

    Reel Dimensions J
    a
    [mm]

    Reel Dimensions J
    b
    [mm]

    Reel Dimensions K
    a
    [mm]

    Reel Dimensions K
    b
    [mm]

    1000 6.0 6.6 13.5 0.2 16 0.3 8 0.1 7.5 0.1 6.5 0.5 0.1 Φ330 Φ2 21.5 1 17.5 1

製品トピックス

産業分野(用途)から探す

サポート・お問い合わせ

各種製品に関するお問い合わせや技術的なご質問、各種資料のお取り寄せなど、各製品担当者がお答えいたします。