弊社指定エンコーダ付モータと組み合わせることで「クローズドループ制御」が可能となります。
ドライバは各種FAネットワークごとに品ぞろえをしており、I/O、パルス列運転には全機種対応。
モータの組み合わせも本ページ下部に記載のどのモータとも組み合わせ可能です。
設定用のアプリも無償で提供いたします。
特長
通信がModbus RTU仕様のドライバとなります。
その他、I/O、パルス列運転にも対応しております。
組み合わせ可能なモータは、「モータ仕様」及び「トルク・スピード特性」のタブをご参照ください。
-
-
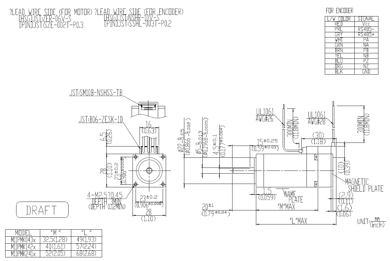
ドライバ仕様
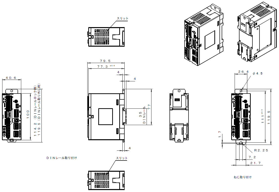
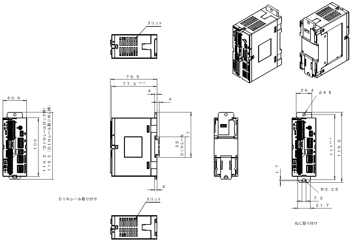
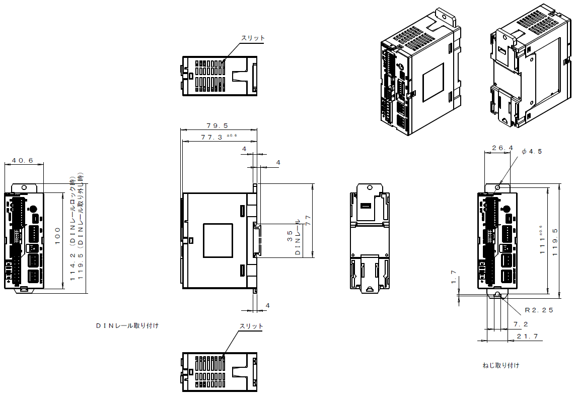
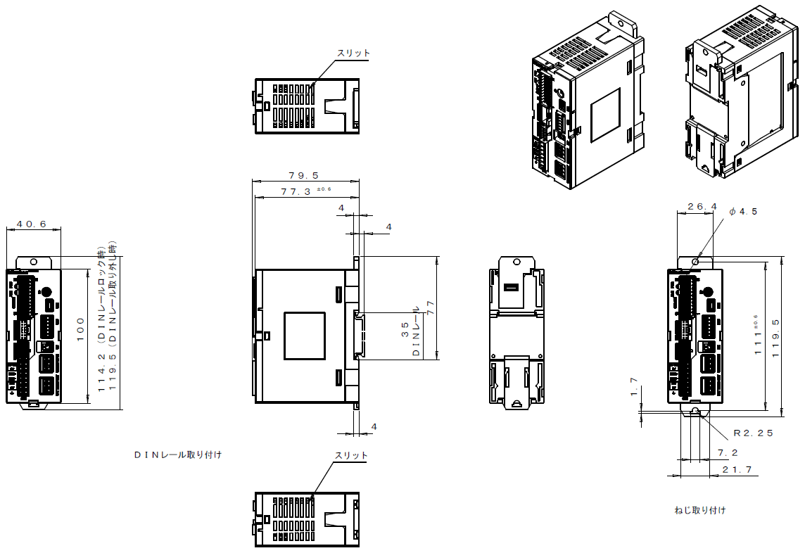
外形(W)
[mm]40.6 外形(D)
[mm]79.5 外形(H)DIN閉
[mm]100 外形(H)DIN開
[mm]119.5 モーター接続軸数 単軸 主回路入力電源電圧 DC24/48V 主回路入力電流 モータ定格電流以上 制御回路入力電源電圧 DC24V 制御回路入力電流
[mA]150 適応負荷イナーシャ モーターイナーシャの20倍以下 通信仕様 RS485 1系統当たり最大接続台数 15 パルス列運転 ✔ I/O運転 ✔ 質量
[g]190
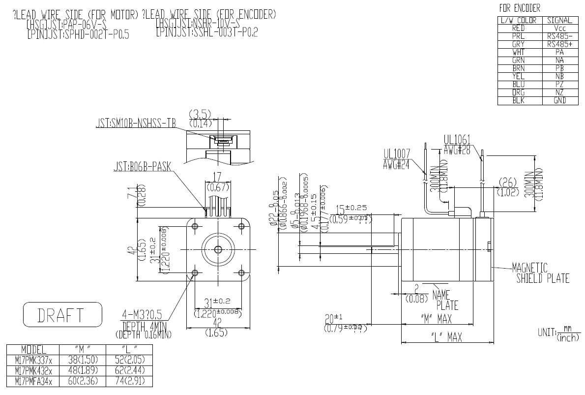
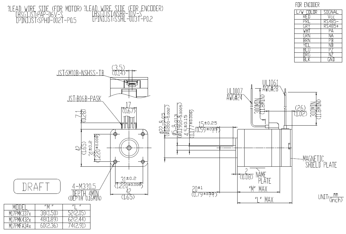
ドライバ外形図
-
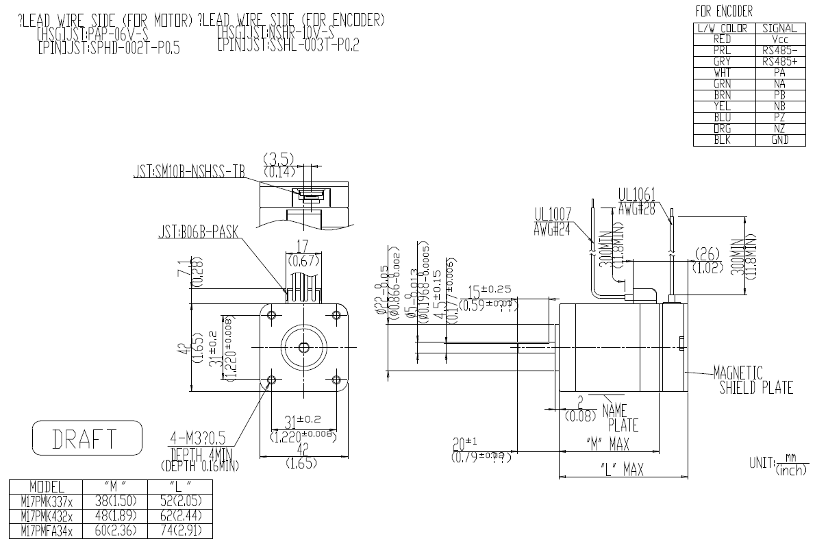
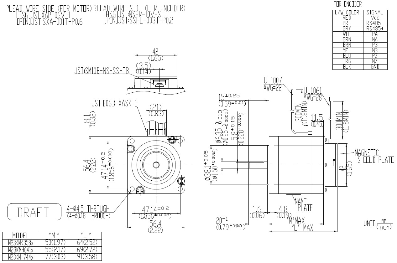
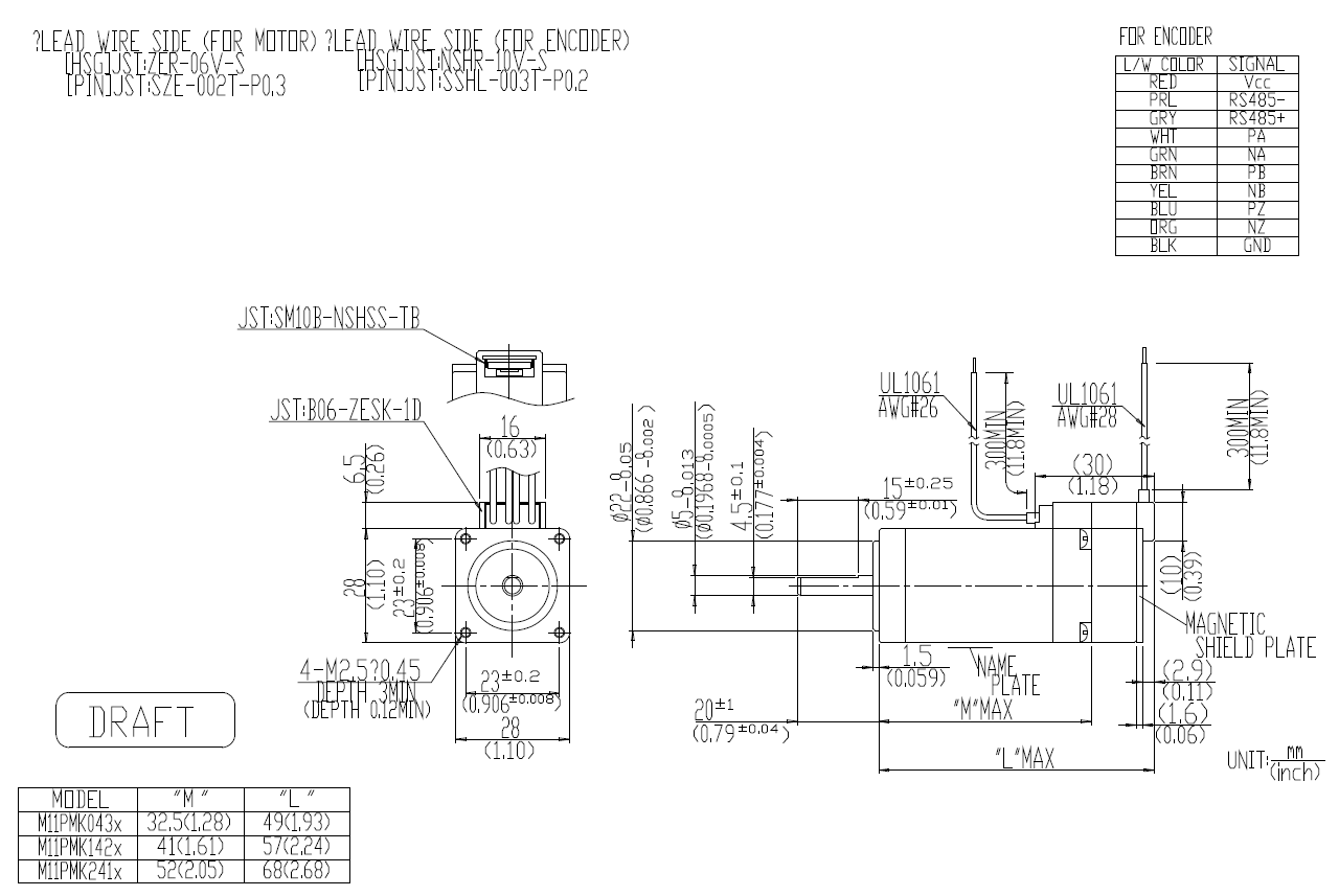
モーター仕様
スクロールできます
型式
外径
[mm]モーター長
[mm]定格電流
[A]巻線抵抗
[Ω]ホールディングトルク
[mN・m]ロータイナーシャ
[g・cm2]ディテントトルク
[mN・m]分解能
[CPR]質量
[g]記録可能最大ターン数
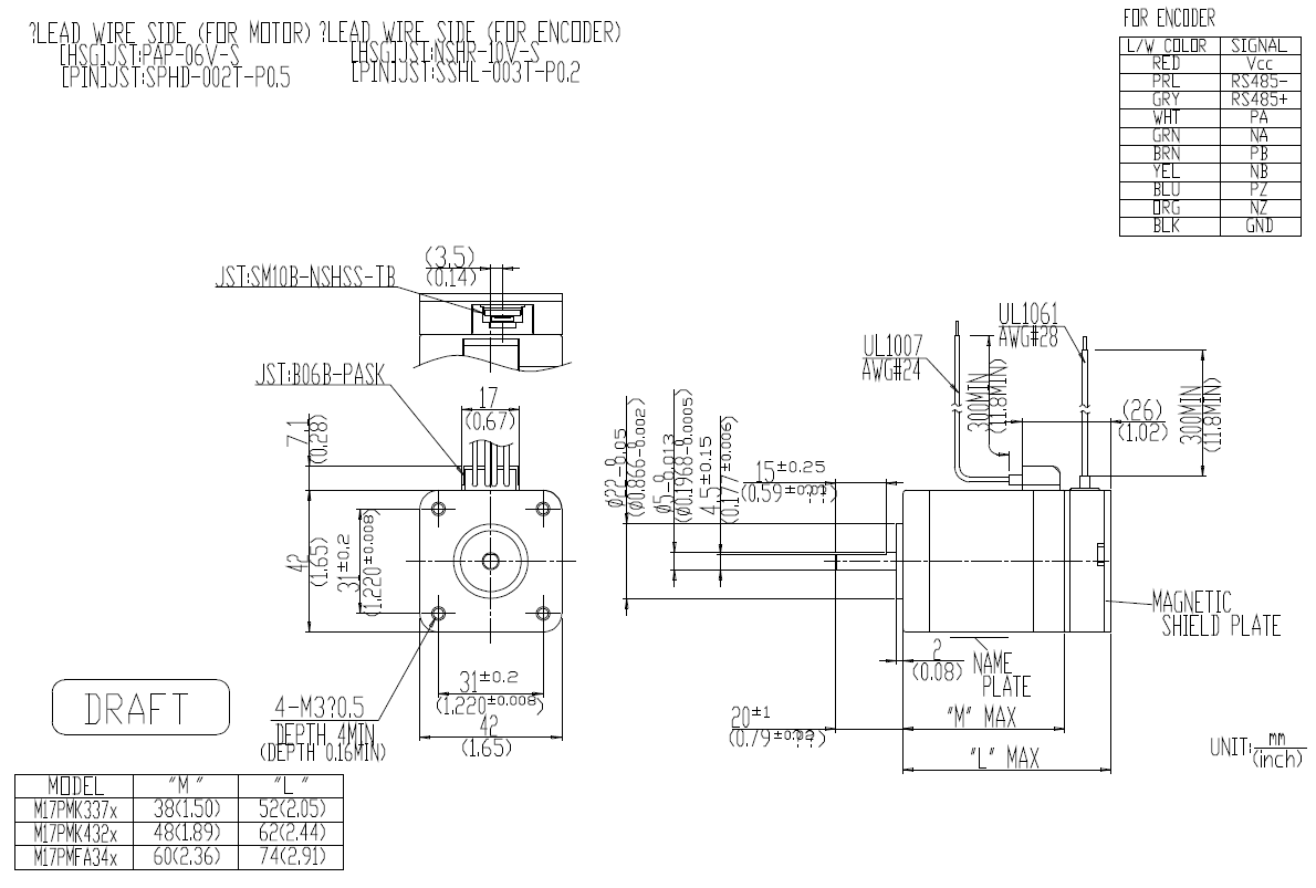
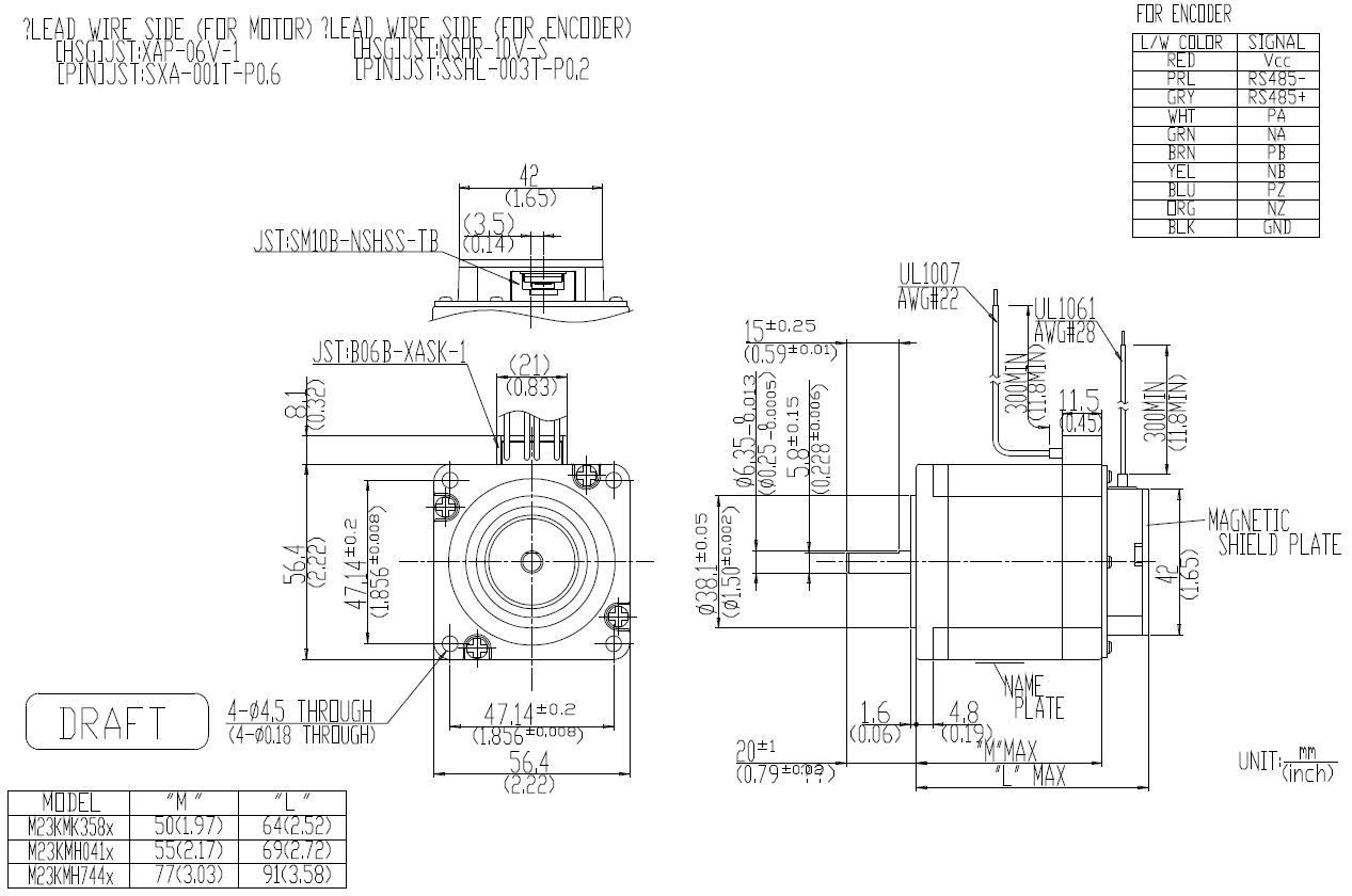
M11PMK043CSMA00 28 49 1.5 1.3 100 8 4.4 16000 170 200 M11PMK142CSMA00 28 57 1.5 1.5 145 13 5.4 16000 200 200 M11PMK241CSMA00 28 68 1.5 1.7 200 16 8 16000 270 200 M17PMK337CSMA00 42 52 2 0.9 290 50 11 16000 320 1000 M17PMK432CSMA00 42 62 2 1.2 510 75 16.7 16000 420 1000 M17PMFA34CSMA00 42 74 2.6 1 690 162 30 16000 580 1000 M23KMK358CSMA00 56.4 64 1.7 1.9 800 180 29 16000 660 1000 M23KMH041CSMA00 56.4 69 2 0.9 1300 320 54 16000 750 1000 M23KMK744CSMA00 56.4 91 3 0.7 1800 490 93 16000 1130 1000 モーター外形図
□28
□42
□56
-
-
-
注目製品
ミネベアミツミのモーターが選ばれる理由
幅広い製品群とグローバルでの開発・生産体制でモノづくりに貢献

