Features

Communication is via an Ethernet/IP driver.
Additionally, it supports I/O and pulse train operations.
Please see the Motor Specifications and Torque/Speed Characteristics tabs for compatible motors.
Driver specs, external view
Driver specs
External dimensions (W) [mm] |
40.6 |
---|---|
External dimensions (D) [mm] |
79.5 |
External dimensions (H) [mm] |
100 |
External dimensions (H) [mm] |
119.5 |
Number of connected axes | single axis |
Main circuit input power voltage | DC24/48V |
Input current | Motor rated current or higher |
Control circuit input power supply voltage | DC24V |
Control circuit Input current [mA] |
180 |
Adaptive Load Inertia | Less than 20 times the motor inertia |
Communication | Ethernet/IP |
Maximum number of drivers that can be connected | 256 |
Pulse operation | ✔ |
I/O operation | ✔ |
Mass [g] |
190 |
Driver external view

Motor specs, external view
Motor specs
Model | Outer Diameter [mm] |
Length [mm] |
Rated Current [A] |
Resistance [Ω] |
Holding Torque [mN・m] |
Rotor Inertia [g・cm2] |
Detent Torque [mN・m] |
Encoder Resolution [CPR] |
Mass [g] |
Maximum turn count |
---|---|---|---|---|---|---|---|---|---|---|
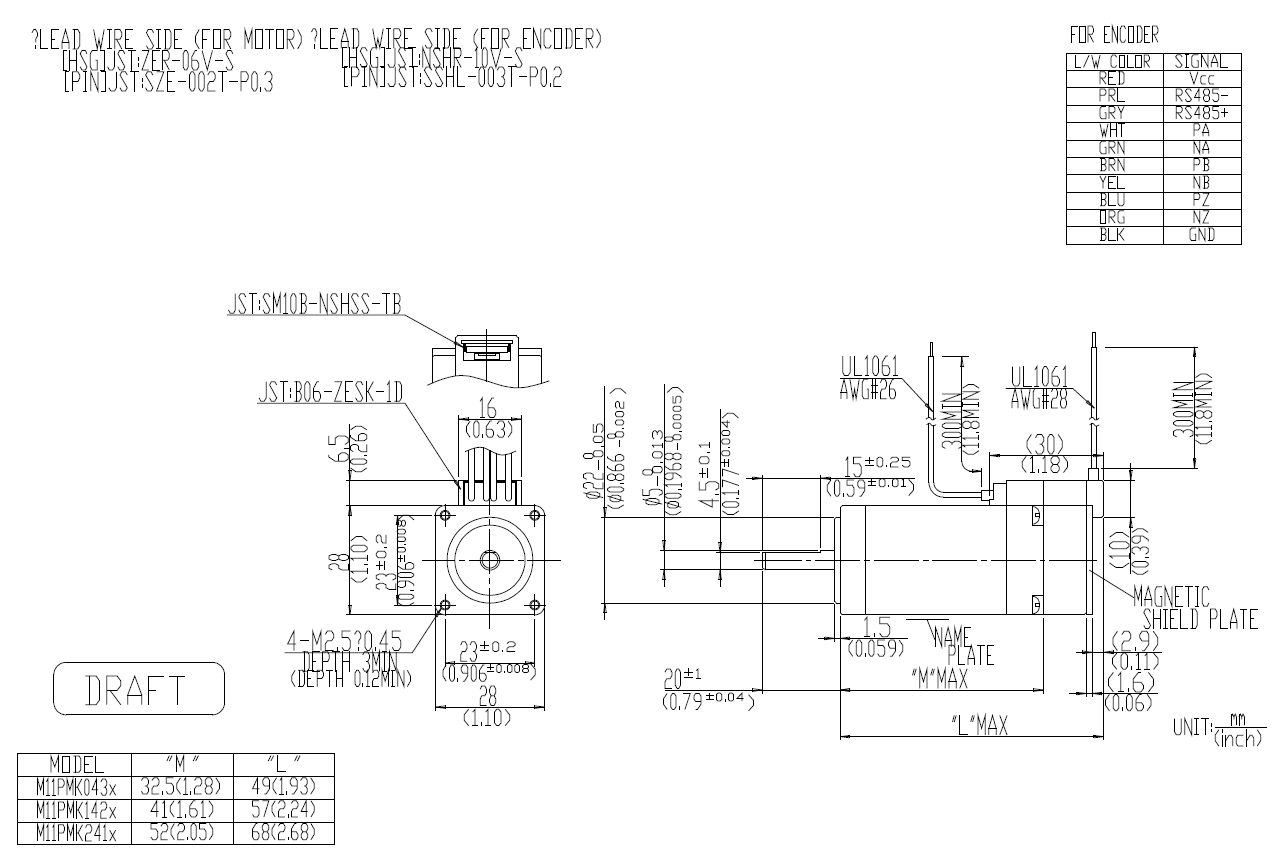
M11PMK043CMA00 | 28 | 49 | 1.5 | 1.3 | 100 | 8 | 4.4 | 16000 | 170 | 200 |
M11PMK142CMA00 | 28 | 57 | 1.5 | 1.5 | 145 | 13 | 5.4 | 16000 | 200 | 200 |
M11PMK241CMA00 | 28 | 68 | 1.5 | 1.7 | 200 | 16 | 8 | 16000 | 270 | 200 |
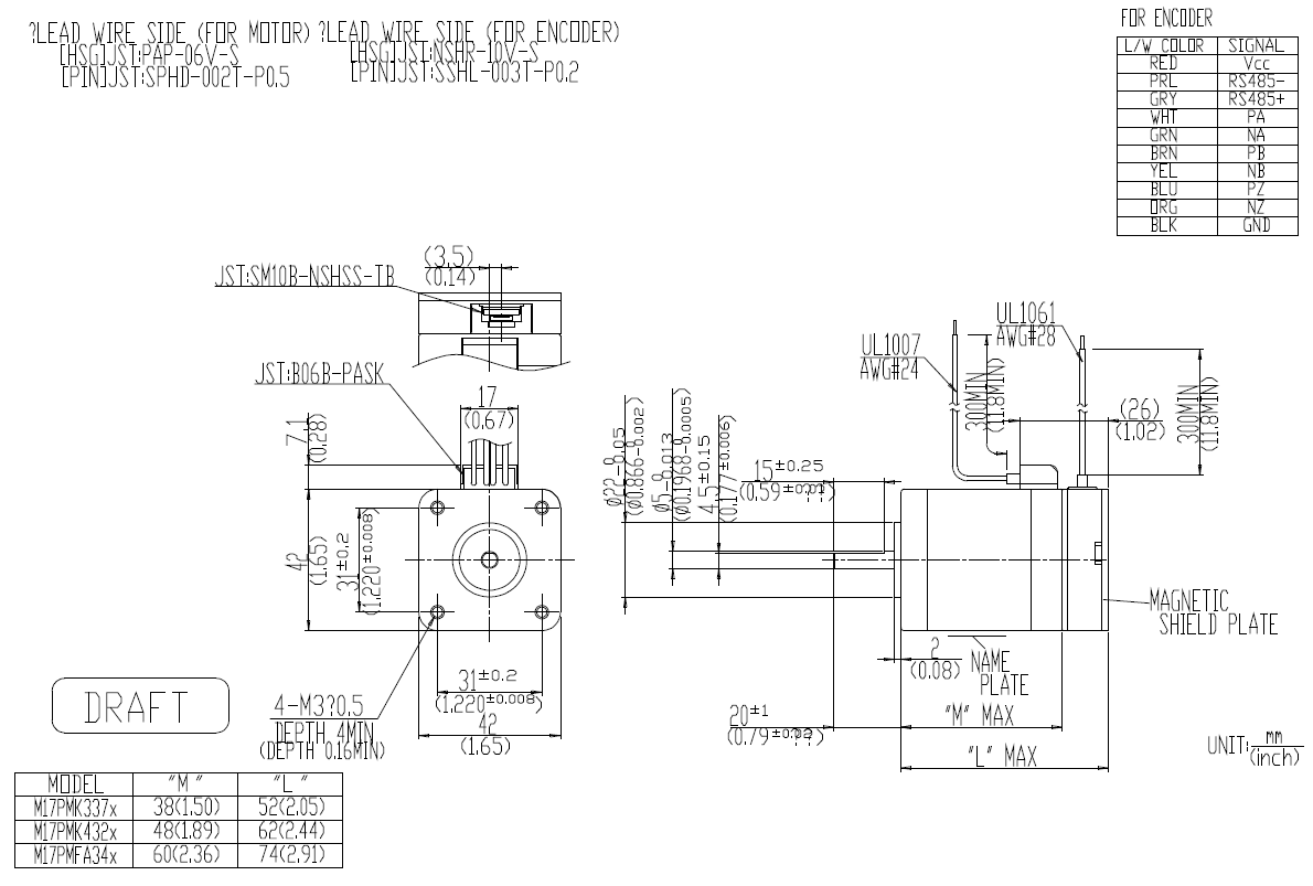
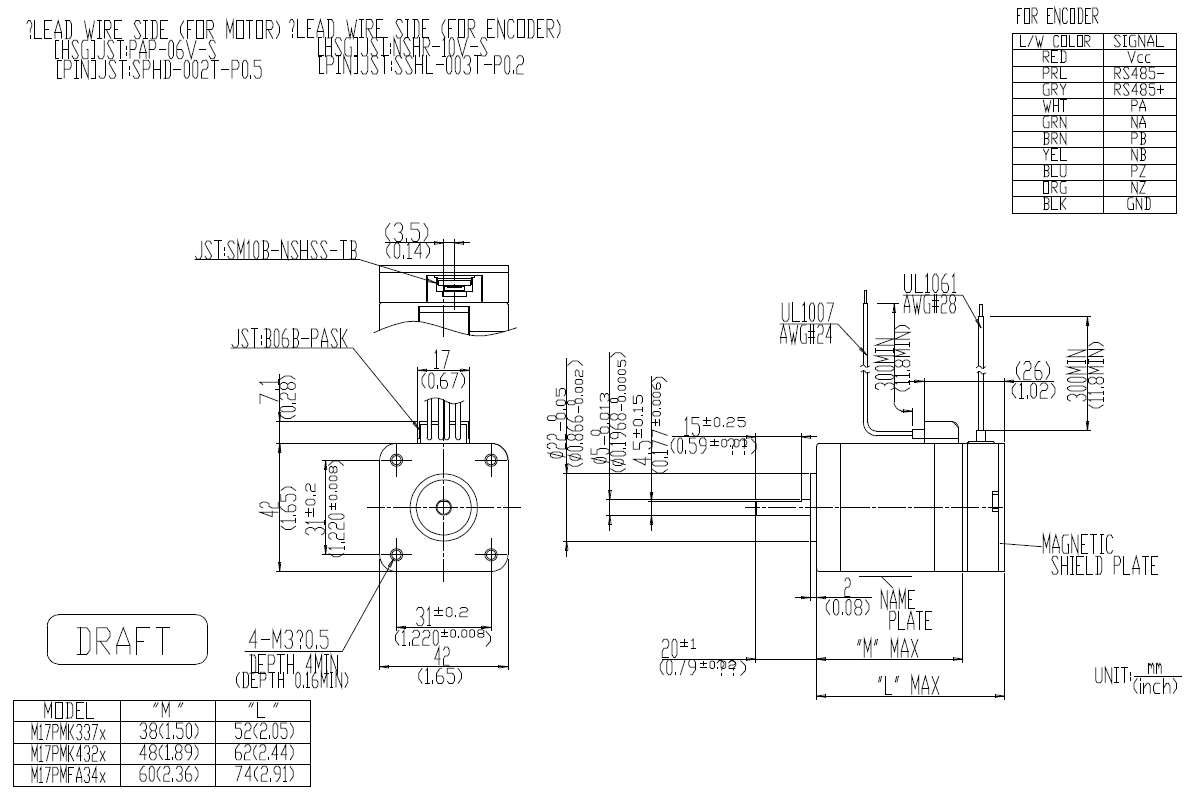
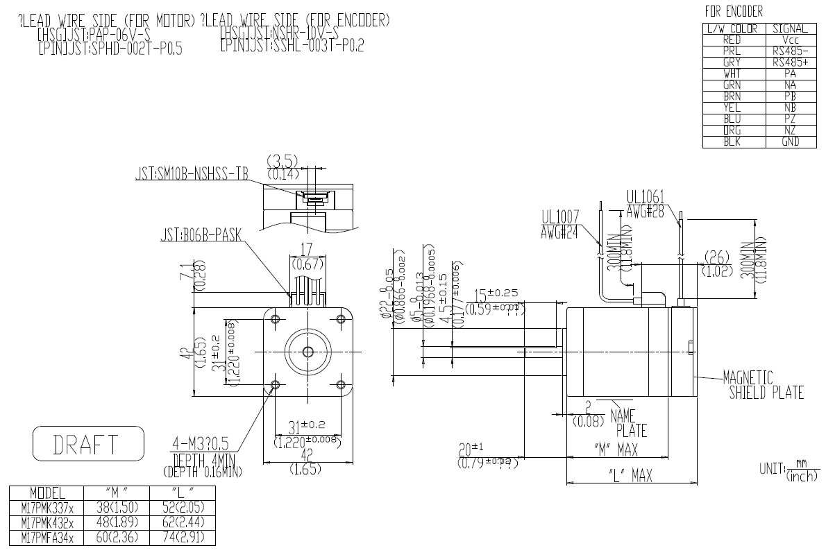
M17PMK337CMA00 | 42 | 52 | 2 | 0.9 | 290 | 50 | 11 | 16000 | 320 | 1000 |
M17PMK432CMA00 | 42 | 62 | 2 | 1.2 | 510 | 75 | 16.7 | 16000 | 420 | 1000 |
M17PMFA34CMA00 | 42 | 74 | 2.6 | 1 | 690 | 162 | 30 | 16000 | 580 | 1000 |
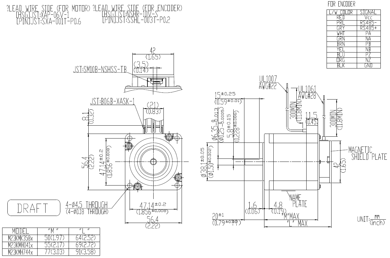
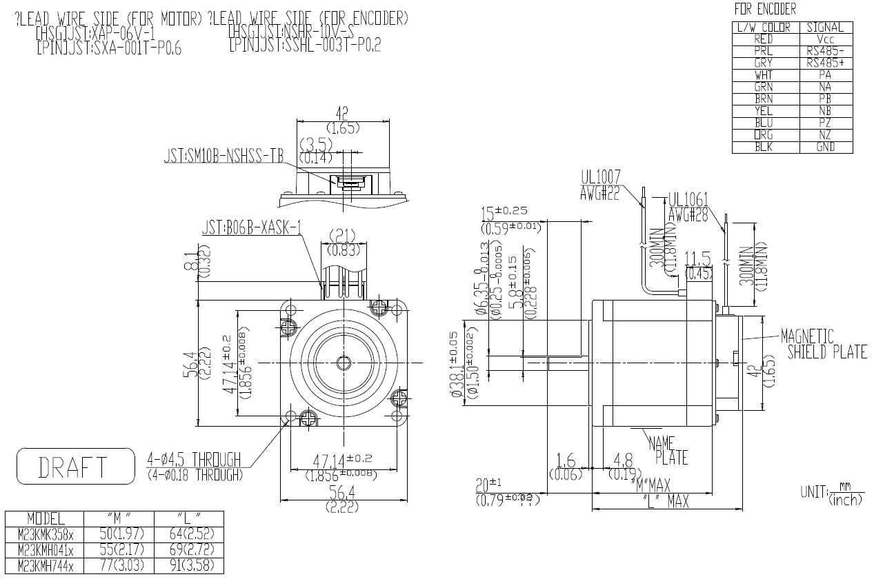
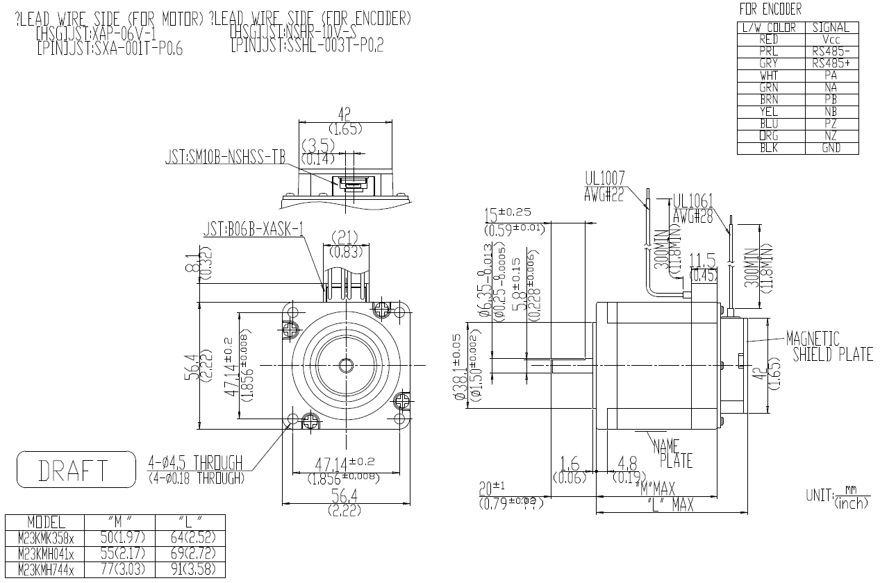
M23KMK358CMA00 | 56.4 | 64 | 1.7 | 1.9 | 800 | 180 | 29 | 16000 | 660 | 1000 |
M23KMH041CMA00 | 56.4 | 69 | 2 | 0.9 | 1300 | 320 | 54 | 16000 | 750 | 1000 |
M23KMK744CMA00 | 56.4 | 91 | 3 | 0.7 | 1800 | 490 | 93 | 16000 | 1130 | 1000 |
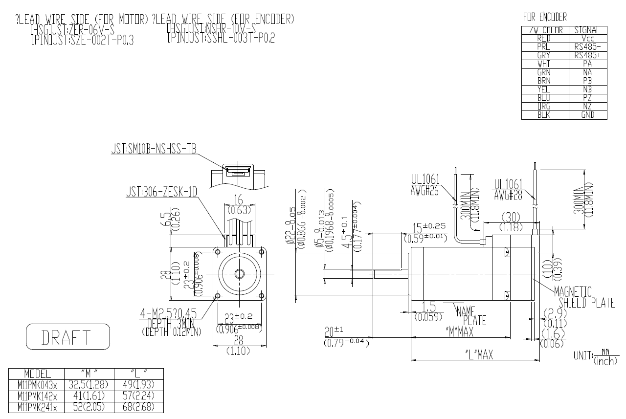
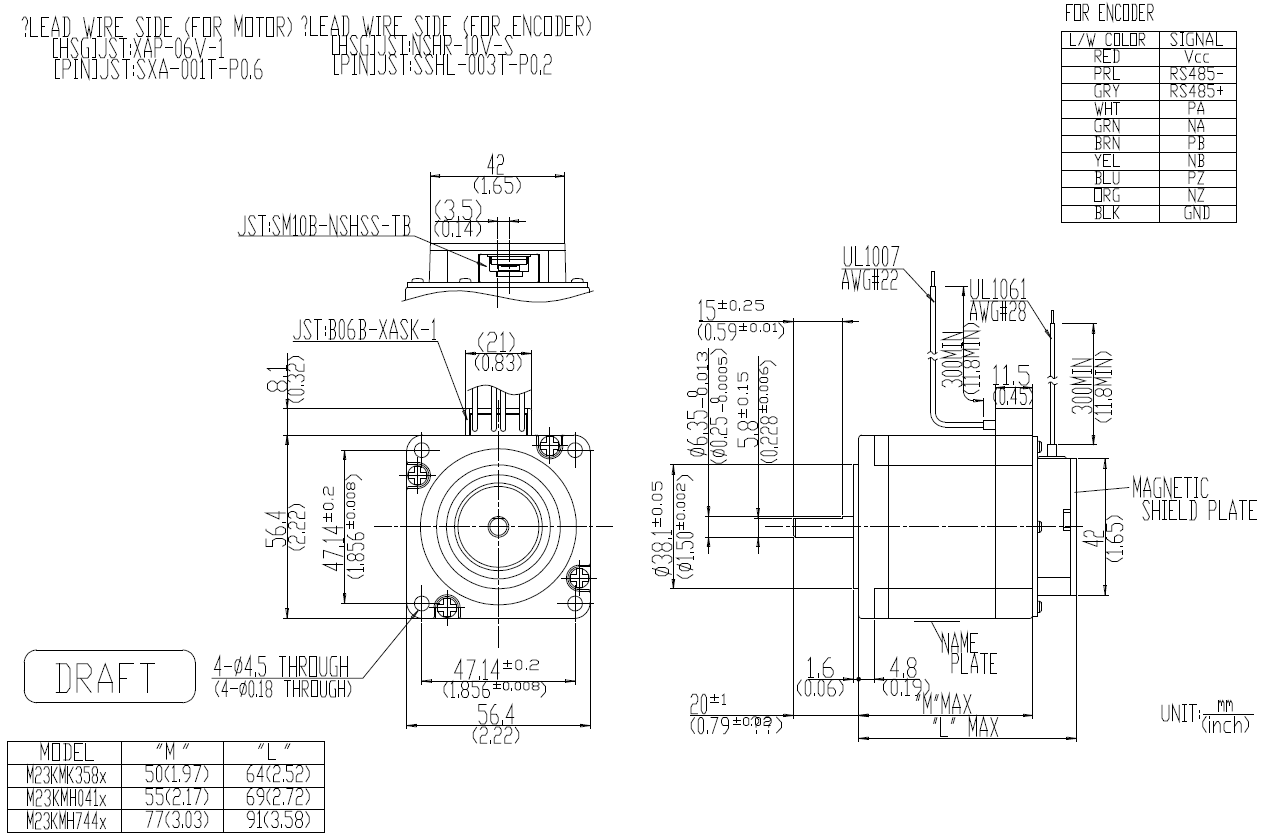
Motor external view
□28

□42

□56

Torque/Speed Characteristics

Connection diagram

Download
Product customizations by MinebeaMitsumi
We customize products through technological consultations, sample productions, optional functionalities, and other forms of support we offer to meet your demands.