Features
 
      Specifications
| Model | Outer Diameter [mm] | Length [mm] | Step Angle [°] | Drive Sequence | Rated Current [A] | Resistance [Ω] | Holding Torque [mN・m] | Inductance [mH] | Rotor Inertia [g・cm2] | Detent Torque [mN・m] | Encoder Resolution [CPR] | Mass [g] | Maximum turn count | 
|---|
Torque/Speed Characteristics
 
      Encoder Specifications
| Item | specifications | 
|---|---|
| ENCODER TYPE | INCREMENTAL | 
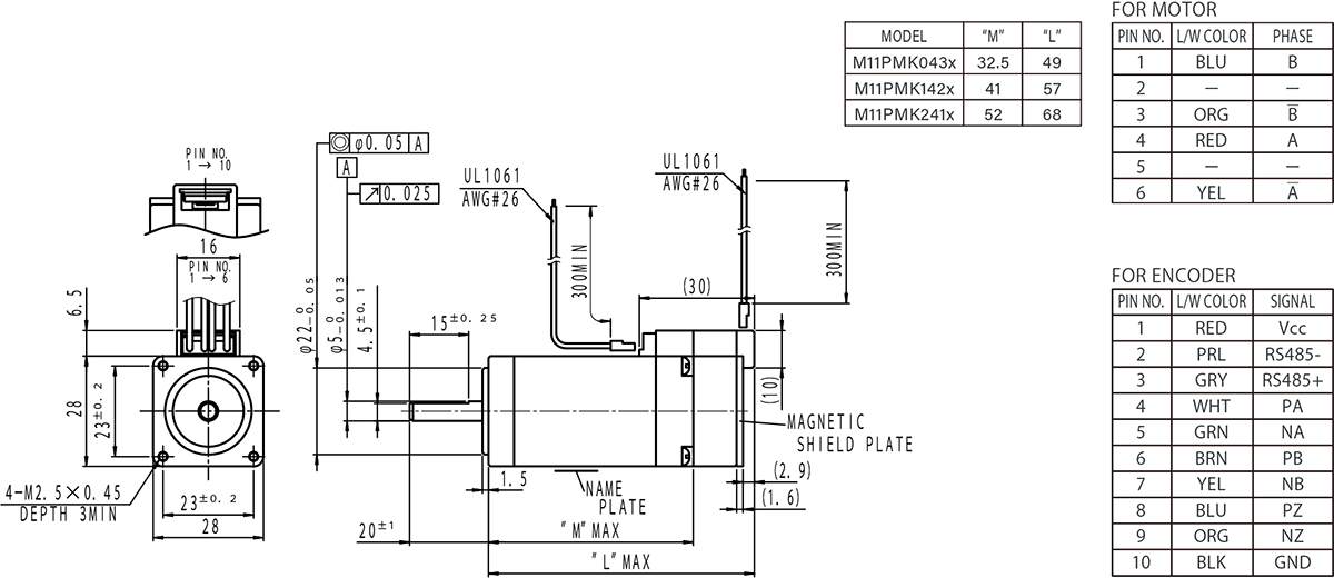
Overall View
 
      Wiring Diagram Image
 
      Wiring Diagram
| PHASE | A | A COM | A/ | B | B COM | B/ | 
|---|---|---|---|---|---|---|
| PIN NO. | 3 | - | 1 | 4 | - | 6 | 
Download
Associated Data
CAD
Product customizations by MinebeaMitsumi
We customize products through technological consultations, sample productions, optional functionalities, and other forms of support we offer to meet your demands.


 
                     
											 
											 
											 
											 
											 
											 
											