Characteristic
 
      Reference Characteristics
| Outer Diameter [mm] | Magnet Material | Insulation Resistance (M) [Ω/min] | Dielectric Strength (AC) [V/min] | Carrent/Phase(Peak) [mA] | Drive Method | Resistance/Phase [Ω] | Insulation resistance | Dielectric Strength | Class of Insulation | Temparature Rise MAX [deg.C] | Ambient Temperature Range lower limit [deg.C] | Ambient Temperature Range upper limit [deg.C] | Radial Play [mm] | Radial Play Note | Axial Play [mm] | 
|---|---|---|---|---|---|---|---|---|---|---|---|---|---|---|---|
| 25.0 | Nd-Fe-B bonded magnet (MS70) | 100 | 500 | 400 | 2-2 phase | 4.0 | 100M[Ω]Min. at DC500[V] | AC500[V] 1[min] | Class E(Except lead wire) | 65 | -10 | 50 | 0.03 | *6[mm] from flange | 0.25 | 
Torque Characteristic
 
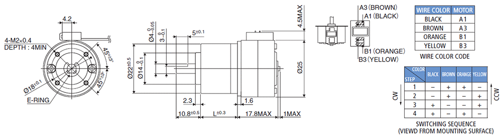
      Overall View
 
      Specifications
| Model | Drive Circuit | Drive Voltage [V] | Current/Phase [mA] | Drive IC | Gear Ratio [1:X] | Step Angle [°] | Rated Torque [mN・m] | Rated Torque [gf・cm] | Maximum Instantaneous Torque [mN・m] | Maximum Instantaneous Torque [gf・cm] | Gearhead length L1 [mm] | 
|---|
Applications
Optical Equipment:Projector / Security Camera
Medical Equipment:Blood Analyzer / Tube Pump
Industrial Equipment:Flow Control Valves / Antenna
Adjustment Device
Power Tools:Drills / Drivers
Download
Catalog
Product customizations by MinebeaMitsumi
We customize products through technological consultations, sample productions, optional functionalities, and other forms of support we offer to meet your demands.


 
                     
											 
											 
											 
											 
											 
											 
											